আজকে আমাদের আলোচনার বিষয় বিভিন্ন প্রকার রেখা অঙ্কন। এই পাঠটি বাংলাদেশ কারিগরি শিক্ষা বোর্ডের, এসএসসি পর্যায়ের, ভোকেশনাল ডিসিপ্লিনের “আর্কিটেকচার ড্রাফট উইথ ক্যাড ১” বিষয়ের একটি পাঠ।

Table of Contents
বিভিন্ন প্রকার রেখা অঙ্কন
প্রয়োজনীয় সরঞ্জাম ও মালামাল পেনসিল, ইরেজার, স্কচটেপ, সেটস্কয়ার, প্যারালাল বার বা টী স্কয়ার, ড্রয়িং শিট, ডাস্টার, স্কেল, ড্রয়িং বোর্ড
অঙ্কনপ্রনালি
- প্রথমে ড্রয়িং বোডটিকে ডাস্টার-এর সাহায্যে ভালভাবে পরিষ্কার করে শিট স্থাপন করে বর্ডার লাইন টেনে নিতে হবে।
- এবার সেট করার এর সাহায্যে পিটটিকে আটটি ভাগ করে প্রতি ভাগে ভিন্ন ভিন্ন কোণে, লম্বভাবে এবং অনুভূমিক ভাবে লাইন টানতে হবে (চিত্রঃ ২.১ -২.৬)।
- লাইনসমূহ আঁকা হলে চিত্রানুরূপ হবে। এরপভাবে বাকী ঘরসমূহে লাইন আঁকতে হবে।

রেখার শ্রেণিবিভাগ অঙ্কন ও এর প্রয়োগ
প্রয়োজনীয় সরঞ্জাম ও মালামাল পেনসিল, ইরেজার, স্কচটেপ, সেটক্ষরার, প্যারালাল বার বা টী স্কয়ার, ড্রয়িং পিট, ডাস্টার, স্কেল, ড্রয়িং বোর্ড।
- প্রথমে ড্রয়িং বোর্ডটিকে ডাস্টার-এর সাহায্যে ভালোভাবে পরিষ্কার করে শিট স্থাপন করে বর্ডার লাইন টেনে নিতে হবে ।
- এবার শিটকে লম্ব ভাবে চারটি ভাগ করে এবং অনুভূমিক ভাবে প্রতি প্রকার লাইনের জন্য এক সারি এভাবে হিসাব করে ভাগ করে নিতে হবে (চিত্র-2.2.1)।
- এবার সকল রেখার নাম, চিত্র, ব্যবহার ও প্ররোগের চিত্রসহ লিখতে হবে (চিত্র-২.২.১)।


চিত্র-২.২.১: রেখার শ্রেণিবিভাগের নমুনা ছক
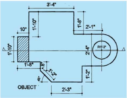
বিভিন্ন রেখা ব্যবহার করে অবজেক্ট অঙ্কন ও ডাইমেনশন দেয়া
প্রয়োজনীয় সরঞ্জাম ও মালামাল পেনসিল, ইরেজার, স্কচটেপ, সেটস্কয়ার, প্যারালাল বার বা টা ক্ষরার, ড্রয়িং শীট, ডাস্টার, স্কেল, ড্রয়িং বোর্ড।
গুগল নিউজে আমাদের ফলো করুন
- প্রথমে ড্রয়িং বোডটিকে ডাস্টার এর সাহায্যে ভালোভাবে পরিষ্কার করে শিট স্থাপন করে বর্ডার লাইন টেনে নিতে হবে ।
- এবার বিভিন্ন রেখা ব্যবহার করে চিত্রের অবজেক্টটিকে আঁকতে হবে (চিত্র-২.৩.)।
- অবজেক্টটি অঙ্কিত হয়ে গেলে চিত্রানুযায়ী মাপ রেখা অঙ্কন করতে হবে।
- যাগ রেখার উত্তরপাশে চিহ্ন ও এক্সটেনশন লাইন আঁকতে হবে।
- এবার মাগ রেখার উপরে যাবাধানে মাপাঙ্ক লিখতে হবে। লম্ব বা পাশের মাপাঙ্কসমূহ ডান দিক থেকে পড়া যায় এভাবে লিখতে হবে (চিত্র-২.৩)।
- কৌণিক মাপসমূহ রেখার চালের সাথে মিলিয়ে লিখতে হবে।

চিত্র-২.৩: বিভিন্ন রেখা ব্যবহার করে একটি অবজেক্ট-অঙ্কন ও এতে Dimensioning করা।

